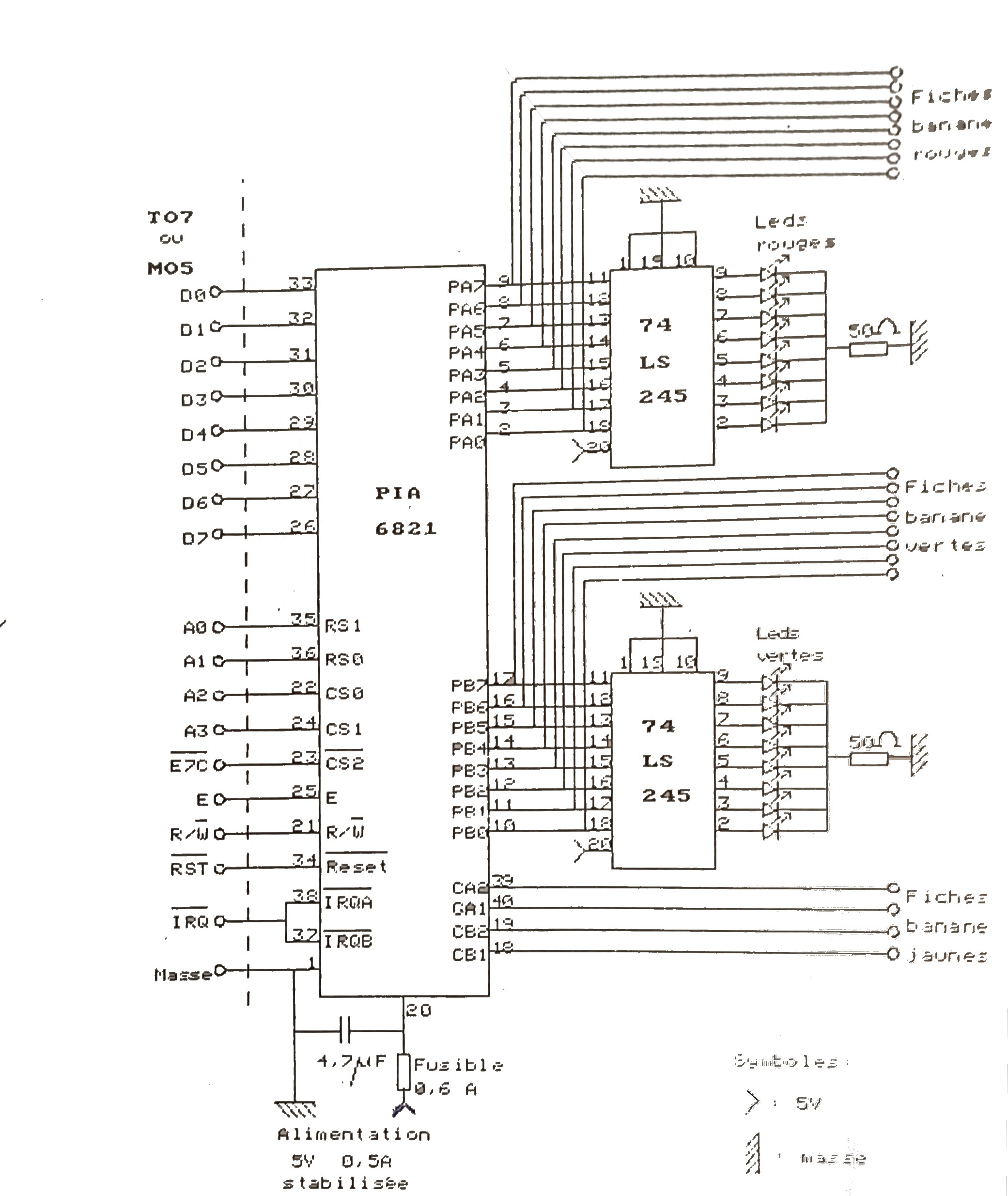
Interface avec un PIA 6821 de la cellule Logciels CARI - Académie de Nantes
Cette interface était accessible par programation aux mêmes adresses que le contrôleur de Manettes (éventuellement il fallait retirer ce contrôleur).
Le PIA 6821 possède 4 registres dont les adresses sont :
  • TO7 : E7CC à E7CF
  • MO5 : A7CC à A7CF


Pour le port A :
Le registre de direction définit chaque broche du port A en entrée ou en sortie.
Le registre de données donne la valeur (0 ou 1) correspondant à la tension de chaque broche du port A (0 ou 5 V).
Avec un TO7 ((dans tout ce qui suit, pour un MO5, il faut remplacer le début des adresses E7 par A7) :
  • l'adresse E7CC permet d'adresser le regitre des données ou le registre de direction (DDRA)
  • l'adresse E7CE permet d'adresser le registre d'état (CRA) qui détermine avec le bit 2 de ce registre ce que l'on adresse en E7CC : bit 2 à 0 c'est le registre de direction, bit 2 à 1, c'est le registre des données.
Par exemple un programme Basic d'intialisation du PIA avec un TO7 commencera par :
POKE &HE7CE, 0     (Branchement sur le registre de direction)
POKE &HE7CC, &B00111111     (PA0 à PA5 en sortie, PA6 et PA7 en entrée)
POKE &HE7CE, &B100     (Branchement du registre des données sur le port A)

On peut alors mettre les broches du port A au niveau 0 ou 5 V, par exemple la broche PA0 à 5 V par :
POKE &HE7CC, &B1
Remarques :
- &H pour Hexadécimal et &B pour binaire, rien pour décimal ;
- Pour le port B, même mécanisme en changeant les adresses en E7CD et E7CF.